发布时间:
人气:
连日暴雨,城市内涝成为许多人的噩梦。但在九江八里湖新区,一座“看不见的地下长城”正在默默守护着城市的安宁。今天,我们将深入工程一线,探秘由安徽菲源水工业有限公司匠心建造的两座传统混凝土泵站——它们如何成为城市排水防涝系统的“定海神针”。
项目概述
九江位于长江中下游,水系发达,历史上易受外洪内涝困扰。随着八里湖新区的城市化快速推进,原有的排水系统已无法满足需求,特别是在极端降雨天气下,内涝风险加剧。
“三期项目(一标段)” 是这一系列工程中的关键一环,其定位是:完善新区核心区域的排水骨干网络,系统性解决重点片区的积水内涝问题,提升城市韧性,并改善水生态环境。 它不仅是民生工程,也是保障新区高质量发展的重要基础设施。
传统混凝土泵站是一种用于输送和提升液体(主要是污水、雨水或工业废水)的地下构筑物,采用现场浇筑混凝土的方式建造。它是城市排水系统、污水处理和工业流体输送中的关键基础设施。
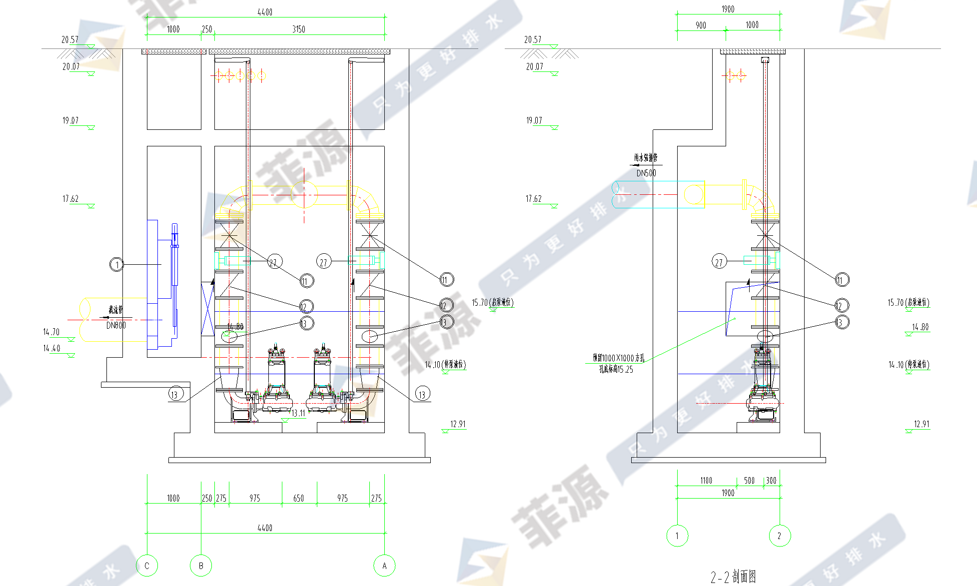
工程核心:两大“超级心脏”参数一览
泵站A:直径6米,井深10.1米,设计流量2100m³/h
——相当于每小时能排空一个标准游泳池的水量
泵站B:直径6米,井深7.5米,设计流量2200m³/h
——更强的动力储备,应对极端天气
这两座专为雨水输送设计的传统混凝土泵站,将在汛期扮演关键角色,快速将低洼地带的积水提升至主干管网,从根本上解决片区积涝难题。
菲源水工业的三大核心优势
高效可靠的设备集成:打造智慧化运行单元
菲源提供的是“核心设备+控制系统”的一体化集成解决方案,确保泵站建成后即刻具备高效、智能的运行能力:
优选高效泵组:配备大流量、高扬程的潜水泵组,效率高、耐磨蚀,专为雨水工况优化设计,确保长期稳定运行。
智能控制系统:集成先进的液位传感与PLC自动控制系统,可根据集水池液位自动启停泵组、轮换运行,并具备远程监控、故障报警、数据上传功能,实现“无人值守、智能调度”。
一体化调试交付:菲源团队负责从单机调试、联动试运行到带负荷测试的全流程,确保整个泵站系统如同精密的仪器一样协同工作,各项参数均达到或优于设计指标。
安全至上:智能监测守护施工全程
“安全是底线,更是生命线。”菲源建立了一套智能化安全管控体系:
高危作业专项管理:有限空间作业严格执行“通风-检测-作业”流程,配备实时气体监测仪
智能集成:从“钢筋混凝土”到“智慧生命体”
工程背后:为什么选择传统混凝土泵站?
对于超大流量、超深埋设或具有特殊要求的项目,传统混凝土泵站由于其无可比拟的结构强度和定制灵活性,仍然具有其应用价值。
对于此类城市关键基础设施,我们需要的是50年甚至100年的可靠运行。传统混凝土结构的耐久性、稳定性和抗浮能力,仍然是大型泵站的最优选择。我们要建的不仅是泵站,更是城市的安全基石。
在气候变化加剧、极端天气频发的今天,城市排水防涝能力已成为衡量现代化治理水平的重要标尺。安徽菲源水工业有限公司以匠心智造夯实工程基础,以科技集成赋能智慧运营,为九江打造了一座座地下“超级心脏”。
服务热线
